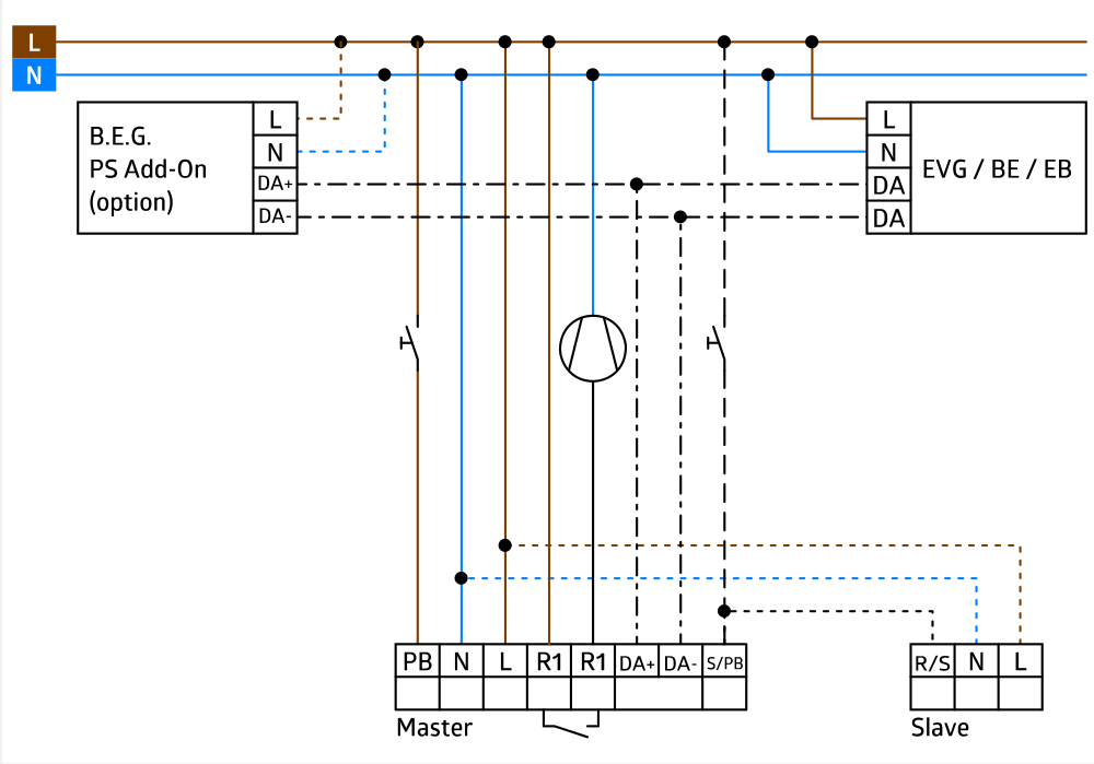
Präsenzmelder mit integriertem DALI-Applikations-Controller für eine energieeffiziente Lichtsteuerung, DALI-2 zertifiziertes Produkt, Integrierte DALI-Spannungsversorgung, DALI-Schnittstelle zur Ansteuerung digitaler, dimmbarer EVG im Broadcast-Verfahren, Manuelles Schalten und Dimmen über konventionelle Taster möglich, Bidirektionale IR-Kommunikation ermöglicht schnelle Integration in die Projektverwaltungsfunktion der B.E.G. One App, Voller Funktionsumfang ist nur mit dem BLE-IR-Adapter und einem Smartphone oder Tablet (Android, iOS) aktivierbar, Halbautomatik-, Vollautomatik-, Lichtregler- oder Anwesenheits-Betrieb einstellbar, Leistungsstarkes Schaltrelais mit verschiedenen Betriebsarten, wie z.B. Cutoff-Funktion für DALI-EVG, HKL, Tafelbeleuchtung., Intelligenter Regelalgorithmus mit umfangreichen Einstellmöglichkeiten, Software ist rückwärtskompatibel zur ersten Generation (außer DSI, Doppelschloss und Korridorfunktion), Werkseinstellung 10 min Nachlaufzeit und 500 Lux Helligkeitssollwert, Inklusive vormontierter Federklemme mit Zugentlastung und Berührschutzkappe für die Deckeneinbau-Montage, Zubehör für Aufputzmontage optional erhältlich
Hersteller-Artikelnummer (MPN)
93455
Bussystem Powernet
nein
Ausführung der Oberfläche
matt
Geeignet für Wandmontage
nein
Mit Anschlusskabel
nein
Ansprechhelligkeit einstellbar
ja
RAL-Nummer (ähnlich)
9010
Nebenstelleneingang
ja
Bussystem KNX
nein
Tierschneise
nein
Max. Reichweite frontal
3 m
Mit Akustiksensor
nein
Höhe
85 mm
Kompatibel mit Casambi
nein
Min. Einschaltdauer
60 s
Bussystem Funkbus
nein
Oberflächenschutz
unbehandelt
Montageart
sonstige
Max. Einschaltdauer
30 min
Busspannungsversorgung
nein
Teach-Funktion für Ansprechhelligkeit
ja
Schaltleistung
2300 W
Transparent
nein
Bussystem LON
nein
Deckeneinbau ohne Einbaudose
ja
Werkstoff
Kunststoff
Treppenlichtautomatik
ja
Andere Bussysteme
sonstige
Bussystem KNX-RF (Funk)
nein
Werkstoffgüte
sonstige
Länge des Anschlusskabels
0 mm
Ausschaltverzögerung selbstlernend
nein
Durchmesser Erfassungsfeld auf Fußboden
10 m
DALI-2 zertifiziert
ja
Anzahl der Kanäle
2
Durchmesser
84 mm
Max. Reichweite zu einer Seite
5 m
Optimale Montagehöhe
2,5 m
Betriebsartenschalter
ja
Unterkriechschutz
ja
Funk bidirektional
nein
Rückfeldüberwachung
nein
Mit Busankopplung
nein
Farbe
weiß
Ausführung
Präsenzmelder
Geeignet für Deckenmontage
ja
Hersteller: BEG Brück B.E.G. Brück Electronic GmbH Gerberstr. 33 DE 51789 Lindlar vertrieb@beg.de Webseite: www.beg-luxomat.com