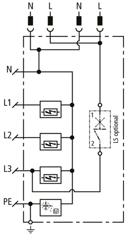
Kombi-Ableiter Typ 1 + Typ 2 + Typ 3 nach EN 61643-11 für TT- und TN-S-Systeme (3+1-Schaltung) mit 230 V Spannungsversorgung (N und L) jeweils für RfZ / APZ gem. VDE-AR-N 4100. Inklusive eines einpoligen B6 Leitungsschutzschalter für die Spannungsversorgung des intelligenten Messystems gem. VDE-AR-N 4100, mit plombierbarer Schutzabdeckung zum Einsatz auf dem 40 mm Sammelschienensystem im Hauptstromversorgungssystem nach DIN VDE 0100-443 bei Gebäuden ohne äußeres Blitzschutzsystem (auch mit Freileitungseinspeisung). 2 x Buchse und 2 x Stecker zur einfachen Verdrahtung des intelligenten Messystems sind im Lieferumfang enthalten.
Hersteller-Artikelnummer (MPN)
909131
Netzform TN
nein
Schutzpegel L-N
1,5 kV
Überstromgeschützter Spannungsabgriff
ja
Höchste Dauerspannung AC
255 V
Netzform DC
nein
Integrierte Vorsicherung
nein
Fernsignalisierung
nein
Spannungsschaltende Funkenstreckentechnologie
ja
Netzform TT
ja
Blitzstoßstrom (10/350 µs)
30 kA
Max. Leiterquerschnitt starr (ein-/mehrdrähtig)
35 mm²
Polzahl
4
Netzform sonstige
nein
Prüfklasse
Typ 1 und 2 und 3
Baugröße
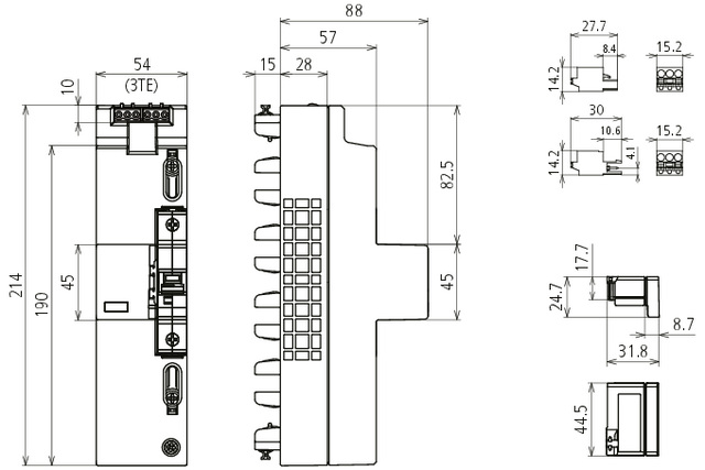
3 TE
Netzform TN-C-S
nein
Schutzart (IP)
IP30
Netzform TN-S
ja
Energetisch koordinierte Schutzwirkung zum Endgerät