Produktinformationen
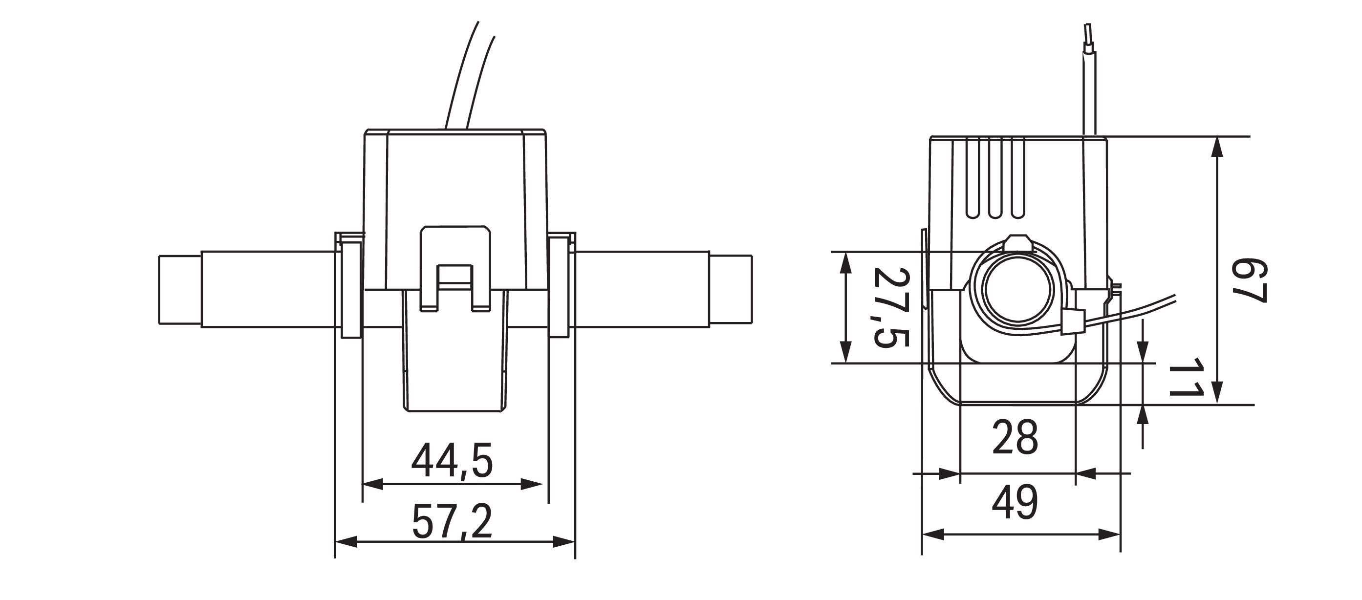
Kabelumbau-Stromwandler; Primärer Bemessungsstrom 250 A; Sekundärer Bemessungsstrom 5 A; Bemessungsleistung 1 VA; Genauigkeitsklasse 1; Leitungslänge 0,5mKurzbeschreibung: Die kompakten teilbaren Kabelumbau-Stromwandler sind speziell für das Nachrüsten in bestehenden Anlagen geeignet. Kabelumbau-Stromwandler finden insbesondere Anwendung in Fällen, bei denen der Strompfad nicht unterbrochen werden darf. Die Genauigkeit des Kabelumbau-Stromwandlers führt zu besonders genauen Strommessungen. Die Kabelumbau-Stromwandler sind mit der angegebenen Bemessungsleistung am Ende des Kabels belastbar. Alle Wandler sind mit farbkodiertem Kabel ausgelegt. Zwei mitgelieferte UV-beständige Kabelbinder gewährleisten eine sichere und einfache Montage. Merkmale: Übersetzungsverhältnisse von primärseitig 250 A und sekundärseitig 5 A. Keine Unterbrechung der Messleitung. Ideal für die Anwendung in sehr kleinen Räumen. Besonders schnelle Montage. Für Anwendung um isolierte Leiter bis Ø 28 mm. Kompakt und scharnierbar. Farbkodierte Anschlussleitung 0,5 m.- Hersteller-Artikelnummer (MPN)
- 855-4105/250-101
- Mit Kupferschiene
- nein
- Öffnungsbreite
- 28 mm
- Sekundäre Bemessungsscheinleistung
- 1 VA
- Sekundärer Anschluss
- Steckanschluss
- Ausführung
- Kabelumbaustromwandler
- Schnappbefestigung
- ja
- Mit Berührungsschutz
- ja
- Öffnungsdurchmesser
- 28 mm
- Sekundärer Bemessungsstrom
- 5 A
- Primärer Bemessungsstrom
- 250 A
- Anzahl der Primäreingänge
- 1
- Überstrombegrenzungsfaktor
- FS 5
- Geeicht
- nein
- Genauigkeitsklasse
- 1
-
Hersteller: WAGO
WAGO GmbH & Co. KG
Hansastr. 27
DE 32423 Minden
info@wago.com
Webseite: www.wago.com
Es liegen keine Bewertungen zu diesem Artikel vor.