Produktinformationen
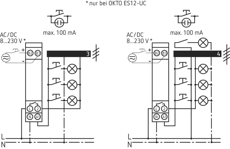
Elektronischer Stromstoßschalter mit 1 Kanal/Kontakt (Schließer), potenzialfreier Multispannungseingang (8 V bis 230 V), komfortable Lichtsteuerung eines gemeinsamen Verbrauchers mit mehreren Tastern möglich, besonders leiser Betrieb des Installations-Fernschalters, hohe Glimmlampenlast bis zu 100 mA, automatische 3-/4-Leitererkennung des Impulsschalters, Potenzialfrei mit Schutzkleinspannung (SELV), lampenschonend durch Nulldurchgangsschaltung für hohe LED-Schaltleistung (600 W), Stand-by-Verbrauch des Stromstoßrelais von nur 0, 3 W- Hersteller-Artikelnummer (MPN)
- 3120131
- Frequenz der Steuerspannung 2
- 50..60 Hz
- Max. Leuchtstofflampenlast
- 2600 VA
- Funktion
- elektronisch Schalter
- Max. Leuchtstofflampenlast (parallel kompensiert)
- 1300 VA
- Frequenz der Steuerspannung 1
- 50..60 Hz
- Max. Schaltstrom (cos phi
- 0,6)=10 A
- Steuerspannungsart 1
- AC/DC
- Max. Glühlampenlast
- 2600 W
- Spannungsart der Versorgungsspannung
- AC
- Versorgungsspannung
- 230 V
- Steuerspannungsart 2
- AC/DC
- Einbautiefe
- 60 mm
- Geeignet für Handbedienung
- nein
- Anzahl der Kontakte als Schließer
- 1
- Bemessungsschaltstrom
- 16 A
- Max. Leuchtstofflampenlast (Duo-Schaltung)
- 2600 VA
- Breite in Teilungseinheiten
- 1
- Steuerspannung 2
- 8..230 V
- Steuerspannung 1
- 8..230 V
- Montageart
- DIN-Schiene
-
Hersteller: Theben
Theben AG
Hohenbergstr. 32
DE 72401 Haigerloch
info@theben.de
Webseite: www.theben.de
Es liegen keine Bewertungen zu diesem Artikel vor.