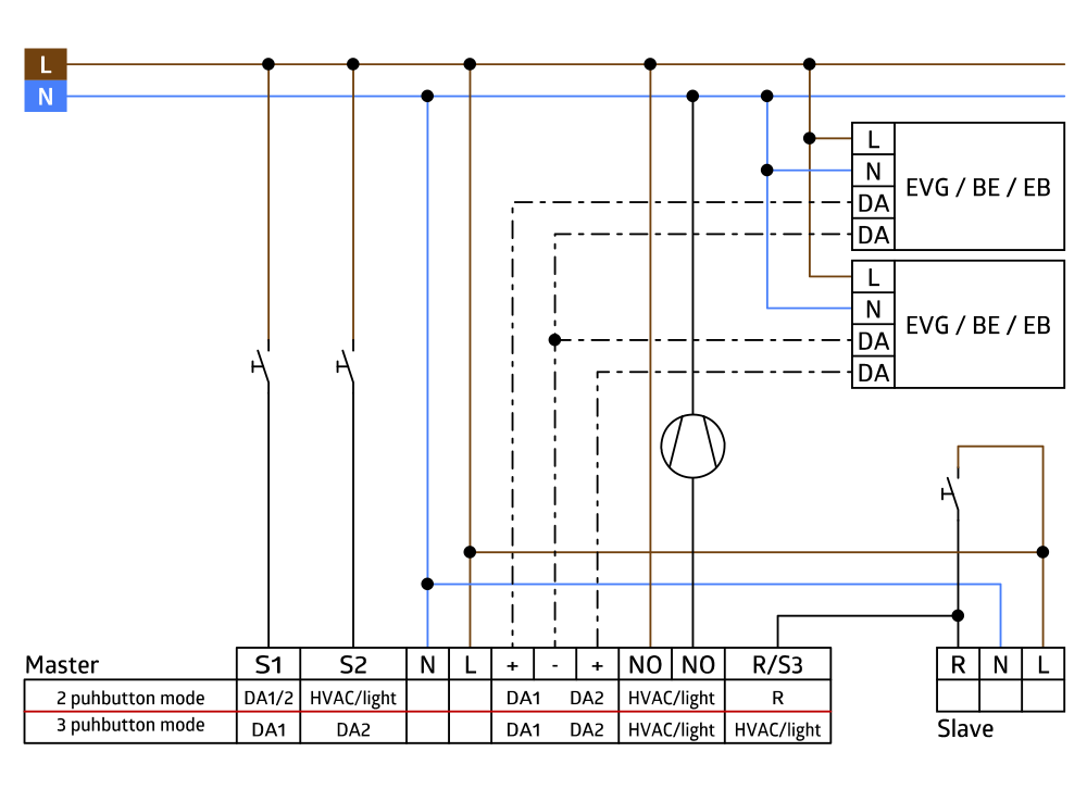
Präsenzmelder für zwei separate Lichtgruppen zur tageslichtabhängigen Beleuchtungsregelung, Ein potentialfreier Schaltkanal zur Geräte- (HKL) oder Lichtsteuerung, Zwei unabhängige, bewegliche Lichtfühler, Ein gemeinsamer Erfassungsbereich, 2 DALI/DSI-Schnittstellen zur Ansteuerung digitaler, dimmbarer EVG als Gruppe, Umschalten zwischen DALI und DSI mittels Fernbedienung möglich, Orientierungslichtfunktion, Relais mit Wolfram-Vorlaufkontakt, optimiert für LED-Lasten, Ausführung als Master-Gerät, Erweiterung des Erfassungsbereiches mit Slave-Geräten möglich, Manuelles Schalten und Dimmen über Taster möglich, Halbautomatik-, Vollautomatik- oder Dämmerungsschalterbetrieb, Weitere Funktionen über optionale Fernbedienung einstellbar