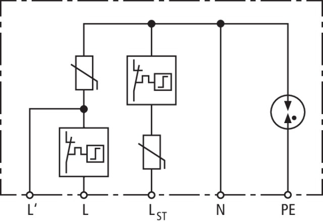
Sicherungskasten EK480 mit Überspannungsschutz für LED-Mastleuchten. Dreipoliger Überspannungsableiter DEHNcord L, Typ 2 nach EN 61643-11, in kompakter Bauform mit Abschaltung des Laststromkreises im Fehlerfall und Schutz der Steuerphase. Zum Einsatz im Blitz-Schutzzonen-Konzept an den Schnittstellen 0B 1 und höher.