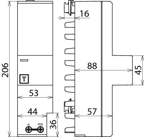
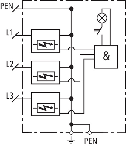
Mehrpoliger Kombiableiter DEHNventil ZP, Typ 1 + Typ 2 nach EN 61643-11 auf Funkenstreckenbasis. Werkzeugfrei direkt auf ein 40mm Sammelschienensystem im Zählerplatzraum aufrastbar. Höchste Anlagenverfügbarkeit durch RADAX-Flow-Folgestrombegrenzung. Ermöglicht Endgeräteschutz. Zum Schutz von Niederspannungs-Verbraucheranlagen vor Überspannungen, auch bei direkten Blitzeinschlägen. Einsetzbar nach dem Blitz-Schutzzonen-Konzept an den Schnittstellen 0A 2.
Hersteller-Artikelnummer (MPN)
900390
Netzform IT
nein
Netzform TT
nein
Folgestromlöschfähigkeit
25 kA
Integrierte Vorsicherung
nein
Energetisch koordinierte Schutzwirkung zum Endgerät