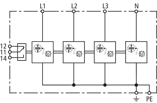
Mehrpoliger, anwendungsoptimierter Kombiableiter DEHNshield, Typ 1 + Typ 2 nach EN 61643-11 auf Funkenstreckenbasis. Platzsparende Funkenstreckentechnologie mit nur 1 TE / Pol ermöglicht kompakte Ausführung. Zum Schutz von Wohngebäuden und zum Einsatz in speziellen Anwendungen. Ermöglicht Endgeräteschutz. Zum Schutz vor Überspannungen, auch bei direkten Blitzeinschlägen. Einsetzbar nach dem Blitz-Schutzzonen-Konzept an den Schnittstellen 0A 2.
Hersteller-Artikelnummer (MPN)
941405
Montageart
Hutschiene TH35
Netzform TN-C-S
nein
Max. Leiterquerschnitt flexibel (feindrähtig)
25 mm²
Netzform DC
nein
Höchste Dauerspannung AC
255 V
Überstromgeschützter Spannungsabgriff
nein
Netzform sonstige
nein
Netzform TT
nein
Energetisch koordinierte Schutzwirkung zum Endgerät