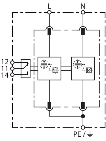
Mehrpoliger Kombiableiter DEHNventil modular, Typ 1 + Typ 2 + Typ 3 nach EN 61643-11 auf Funkenstreckenbasis, bestehend aus einem Basisteil und einem gesteckten Schutzmodul. Höchste Anlagenverfügbarkeit durch Rapid Arc Control (RAC) Funkenstrecken. Ermöglicht Endgeräteschutz. Zum Schutz von Niederspannungs-Verbraucheranlagen vor Überspannungen, auch bei direkten Blitzeinschlägen. Einsetzbar nach dem Blitz-Schutzzonen-Konzept an den Schnittstellen 0A 2.