Produktinformationen
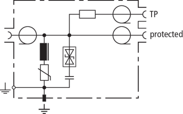
Fernspeisetauglicher Überspannungsableiter mit F-Anschluss für 75 Ohm SAT- und BK-Anlagen. Der Ableiter entspricht den erhöhten Schirmungsanforderungen der Klasse A nach EN 50 083-2. Geeignet für die platzsparende Installation in allen gängigen TV- und SAT-Anwendungen mit integriertem Messausgang zur Anlagenüberprüfung.- Hersteller-Artikelnummer (MPN)
- 909703
- Montageart
- Hutschiene TH35
- Höchste Dauerspannung DC
- 24 V
- Ableiterüberwachung
- nein
- Trennmöglichkeit des Signalkreises
- nein
- Mit Fernmeldekontakt
- nein
- Nennlaststrom
- 2 A
- Anschluss 1
- F-Connector
- Anzahl der Leiter (ohne Erde)
- 1
- Erdung über
- Hutschiene
- Schutzart (IP)
- IP30
- Baubreite
- 27 mm
- Nennableitstoßstrom (8/20)
- 1,5 kA
- Schutzpegel Ader/Signalground
- 300 V
- Explosionsgeprüfte Ausführung
- nein
- Frequenz
- 5..3000 MHz
- Blitzstoßstrom (10/350 µs)
- 0,2 kA
-
Hersteller: DEHN
DEHN SE
Hans-Dehn-Str.1
DE 92318 Neumarkt i.d.OPf.
info@dehn.de
Webseite: www.dehn.de
Es liegen keine Bewertungen zu diesem Artikel vor.