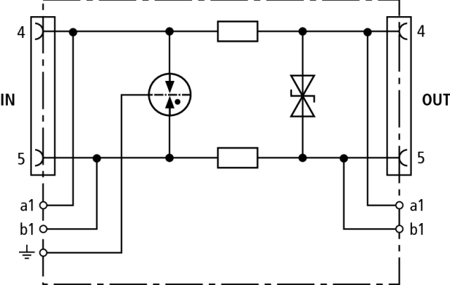
Energetisch koordinierter leckstromfreier Überspannungsableiter für a/b-Ader, ISDN Uk0 oder ADSL mit RJ45-Anschlüssen und zusätzlichen Schraubklemmenanschlüssen. Das Pinning der RJ45-Buchsen ist RJ11/12-kompatibel. Die parallelen Schraubklemmen sind robuster als die RJ45-Buchsen und erhöhen den Nennableitstoßstrom gesamt auf 10 kA.
Hersteller-Artikelnummer (MPN)
918411
Explosionsgeprüfte Ausführung
nein
Grenzfrequenz
17 MHz
Baubreite
27 mm
Erdung über
separater Leiter
Nennspannung DC
130 V
Nennableitstoßstrom (8/20)
5 kA
Anschluss 1
Klemme/RJ45
Schutzpegel Ader/Erde
600 V
Schutzart (IP)
IP10
Mit Fernmeldekontakt
nein
Blitzstoßstrom (10/350 µs)
1 kA
Trennmöglichkeit des Signalkreises
nein
Anzahl der Leiter (ohne Erde)
2
Nennlaststrom
0,2 A
Höchste Dauerspannung DC
170 V
Montageart
Hutschiene TH35
Schutzpegel Ader/Ader
240 V
Ableiterüberwachung
nein
Hersteller: DEHN DEHN SE Hans-Dehn-Str.1 DE 92318 Neumarkt i.d.OPf. info@dehn.de Webseite: www.dehn.de