Mehrpoliger, anwendungsoptimierter Kombiableiter DEHNshield, Typ 1 + Typ 2 nach EN 61643-11 auf Funkenstreckenbasis. Platzsparende Funkenstreckentechnologie mit nur 1 TE / Pol ermöglicht kompakte Ausführung. Zum Schutz von Wohngebäuden und zum Einsatz in speziellen Anwendungen. Ermöglicht Endgeräteschutz. Zum Schutz vor Überspannungen, auch bei direkten Blitzeinschlägen. Einsetzbar nach dem Blitz-Schutzzonen-Konzept an den Schnittstellen 0A 2.
Hersteller-Artikelnummer (MPN)
941305
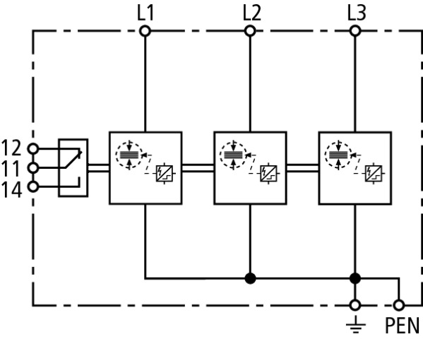
Netzform IT
nein
Netzform TN-S
nein
Baugröße
4 TE
Blitzstoßstrom (10/350 µs)
37,5 kA
Schutzpegel
1,5 kV
Höchste Dauerspannung AC
255 V
Netzform TN
nein
Netzform DC
nein
Netzform sonstige
nein
Max. Leiterquerschnitt flexibel (feindrähtig)
25 mm²
Polzahl
3
Montageart
Hutschiene TH35
Nennspannung AC
230 V
Energetisch koordinierte Schutzwirkung zum Endgerät