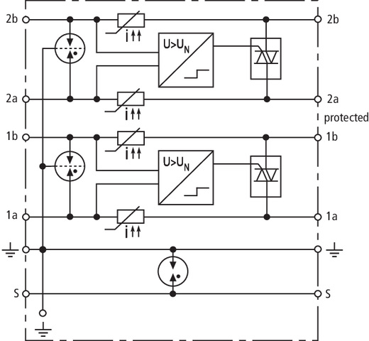
Kompakter Kombiableiter im Kunststoff Aufputz-Gehäuse mit actiVsense-Technologie zum Schutz von 2 Doppeladern mit gleicher oder unterschiedlicher Signalspannung symmetrischer Schnittstellen mit galvanischer Trennung, wahlweise direkte oder indirekte Schirmerdung.
Hersteller-Artikelnummer (MPN)
922400
Schutzart (IP)
IP65
Nennableitstoßstrom (8/20)
20 kA
Montageart
Aufputz
Nennlaststrom
0,1 A
Grenzfrequenz
50 MHz
Blitzstoßstrom (10/350 µs)
10 kA
Anschluss 1
Klemme
Nennspannung DC
0..180 V
Explosionsgeprüfte Ausführung
nein
Anzahl der Leiter (ohne Erde)
4
Mit Fernmeldekontakt
nein
Trennmöglichkeit des Signalkreises
nein
Höchste Dauerspannung DC
180 V
Baubreite
93 mm
Ableiterüberwachung
nein
Hersteller: DEHN DEHN SE Hans-Dehn-Str.1 DE 92318 Neumarkt i.d.OPf. info@dehn.de Webseite: www.dehn.de