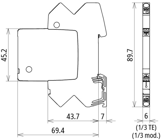
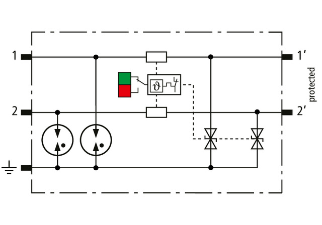
Platzsparender, modularer Kombi-Ableiter in 6 mm Baubreite und Push-in Anschlusstechnik mit Statusanzeige zum Schutz von 2 Einzeladern mit gemeinsamen Bezugspotential sowie unsymmetrischer Schnittstellen. Mit Signaltrennung für Wartungszwecke.
Hersteller-Artikelnummer (MPN)
927224
Nennspannung DC
24 V
Schutzart (IP)
IP20
Explosionsgeprüfte Ausführung
nein
Nennableitstoßstrom (8/20)
10 kA
Baubreite
6 mm
Höchste Dauerspannung DC
33 V
Anschluss 1
Push-in-Klemme
Nennlaststrom
0,75 A
Trennmöglichkeit des Signalkreises
ja
Montageart
Hutschiene TH35
Höchste Dauerspannung AC
23,3 V
Grenzfrequenz
3,4 MHz
Schutzpegel Ader/Ader
90 V
Anzahl der Leiter (ohne Erde)
2
Erdung über
Hutschiene
Blitzstoßstrom (10/350 µs)
3 kA
Ableiterüberwachung
ja
Schutzpegel Ader/Erde
75 V
Mit Fernmeldekontakt
nein
Hersteller: DEHN DEHN SE Hans-Dehn-Str.1 DE 92318 Neumarkt i.d.OPf. info@dehn.de Webseite: www.dehn.de