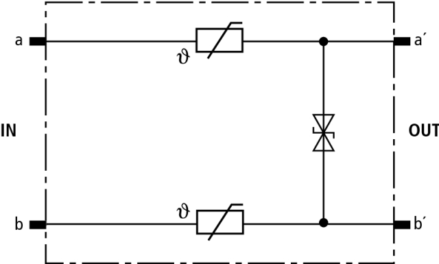
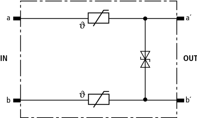
Schutzstecker 1 DA energetisch koordiniert zu DRL-Steckmagazin als einstufiger Endgeräteschutz. Niedriger Schutzpegel Ader-Ader und integrierter Überstromschutz für ADSL, ISDN Uk0 oder a/b-Adern. Montage mit EF 10 DRL. Installation nur in Verbindung mit dem DRL-Steckmagazin empfohlen.
Hersteller-Artikelnummer (MPN)
907430
Schutzart (IP)
IP20
Anzahl der Leiter (ohne Erde)
2
Ableiterüberwachung
nein
Blitzstoßstrom (10/350 µs)
5 kA
Trennmöglichkeit des Signalkreises
nein
Mit Fernmeldekontakt
nein
Nennspannung DC
180 V
Höchste Dauerspannung AC
127 V
Schutzpegel Ader/Ader
270 V
Höchste Dauerspannung DC
180 V
Nennableitstoßstrom (8/20)
10 kA
Grenzfrequenz
61 MHz
Erdung über
sonstige
Explosionsgeprüfte Ausführung
nein
Montageart
LSA-Plus steckbar
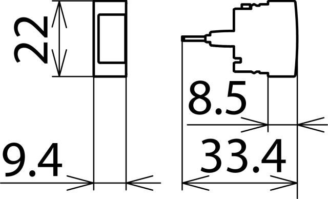
Baubreite
9,4 mm
Nennlaststrom
0,1 A
Hersteller: DEHN DEHN SE Hans-Dehn-Str.1 DE 92318 Neumarkt i.d.OPf. info@dehn.de Webseite: www.dehn.de