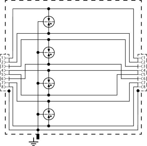
Universeller Ableiter für Industrial Ethernet, Power over Ethernet (IEEE 802.3 konform bis PoE++ / 4PPoE) und ähnliche Anwendungen in strukturierten Verkabelungen nach Klasse D bis 100 MHz. Schutz aller Adernpaare durch leistungsfähige Gasentladungsableiter. Adapterausführung mit Buchsen für die Hutschienenmontage.
Hersteller-Artikelnummer (MPN)
929126
Schutzpegel Ader/Ader
600 V
Anschluss 1
RJ45
Schutzart (IP)
IP10
Baubreite
19 mm
Nennlaststrom
1 A
Nennspannung DC
48 V
Höchste Dauerspannung AC
34 V
Blitzstoßstrom (10/350 µs)
0,5 kA
Nennableitstoßstrom (8/20)
10 kA
Schutzpegel Ader/Erde
500 V
Explosionsgeprüfte Ausführung
nein
Erdung über
Hutschiene
Anzahl der Leiter (ohne Erde)
8
Mit Fernmeldekontakt
nein
Montageart
Hutschiene TH35
Ableiterüberwachung
nein
Höchste Dauerspannung DC
57 V
Grenzfrequenz
100 MHz
Trennmöglichkeit des Signalkreises
nein
Hersteller: DEHN DEHN SE Hans-Dehn-Str.1 DE 92318 Neumarkt i.d.OPf. info@dehn.de Webseite: www.dehn.de