Produktinformationen
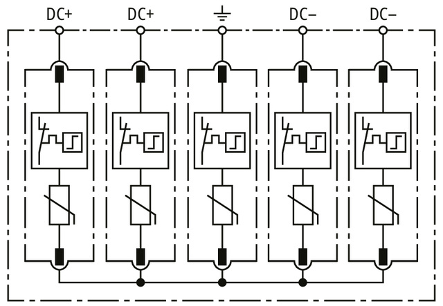
Generatoranschlusskasten DCU 2 YPV 1100 2M 1S in Schutzart IP65. Nach DIN EN IEC 61439-2 zum Schutz von zwei MPP-Eingängen und je einem String. Zum Einsatz gemäß DIN IEC 60364-7-712:2011-04 (Errichten von Photovoltaik-Versorgungssystemen).- Hersteller-Artikelnummer (MPN)
- 900921
- Prüfklasse Typ 2
- ja
- Breite
- 254 mm
- Schlagfestigkeit
- IK08
- Prüfklasse Typ 3
- nein
- Farbe
- grau
- Anzahl der String-Eingänge
- 2
- Prüfklasse Typ 1
- nein
- Schutzart (IP)
- IP65
- Anzahl der Leitungseinführungen
- 10
- Mit Lasttrennschalter bestückt
- nein
- Mit Erdungsanschluss
- ja
- Art der Einführung
- Verschraubung
- Max. Ausgangsstrom
- 20 A
- Werkstoff
- Kunststoff
- Tiefe
- 111 mm
- Max. Eingangsspannung DC
- 1100 V
- Höhe
- 180 mm
-
Hersteller: DEHN
DEHN SE
Hans-Dehn-Str.1
DE 92318 Neumarkt i.d.OPf.
info@dehn.de
Webseite: www.dehn.de
Es liegen keine Bewertungen zu diesem Artikel vor.