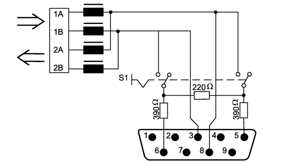
PROFIBUS-Feldbusstecker; mit D-Sub-Stecker; 9-poligDer Feldbusstecker dient zum Anschluss eines PROFIBUS-Teilnehmers an die PROFIBUS-Busleitung. Der Feldbusstecker zeichnet sich durch nachfolgende Punkte aus: 2 horizontale Kabeleinführungen für Ein- und Ausgang.. Schneller und wartungsfreier CAGE CLAMP®-Anschluss mit über Betätigungsschieber arretierbaren Klemmstellen.. Extern bedienbarer Schalter zum Ab- bzw. Zuschalten der Terminierung.. Beim ersten und letzten Busteilnehmer muss der Terminierungsschalter auf ON stehen. (Abschlusswiderstand zugeschaltet). Bei nachfolgenden Busteilnehmern auf OFF . (Abschlusswiderstand abgeschaltet).
Hersteller-Artikelnummer (MPN)
750-960
Zubehör
ja
Art des elektrischen Zubehörs
Stecker
Ersatzteil
nein
Art des mechanischen Zubehörs
sonstige
Hersteller: WAGO WAGO GmbH & Co. KG Hansastr. 27 DE 32423 Minden info@wago.com Webseite: www.wago.com