Produktinformationen
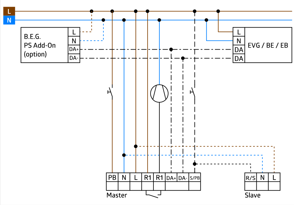
Präsenzmelder mit integriertem DALI-Applikations-Controller für eine energieeffiziente Lichtsteuerung, DALI-2 zertifiziertes Produkt, Integrierte DALI-Spannungsversorgung, DALI-Schnittstelle zur Ansteuerung digitaler, dimmbarer EVG im Broadcast-Verfahren, Manuelles Schalten und Dimmen über konventionelle Taster möglich, Bidirektionale IR-Kommunikation ermöglicht schnelle Integration in die Projektverwaltungsfunktion der B.E.G. One App, Voller Funktionsumfang ist nur mit dem BLE-IR-Adapter und einem Smartphone oder Tablet (Android, iOS) aktivierbar, Halbautomatik-, Vollautomatik-, Lichtregler- oder Anwesenheits-Betrieb einstellbar, Leistungsstarkes Schaltrelais mit verschiedenen Betriebsarten, wie z.B. Cutoff-Funktion für DALI-EVG, HKL, Tafelbeleuchtung., Intelligenter Regelalgorithmus mit umfangreichen Einstellmöglichkeiten, Software ist rückwärtskompatibel zur ersten Generation (außer DSI, Doppelschloss und Korridorfunktion), Werkseinstellung 10 min Nachlaufzeit und 500 Lux Helligkeitssollwert, Inklusive vormontierter Federklemme mit Zugentlastung und Berührschutzkappe für die Deckeneinbau-Montage, Zubehör für Aufputzmontage optional erhältlich, Zubehör für Wandmontage optional erhältlich, Weiteres Zubehör zur Farbanpassung optional erhältlich