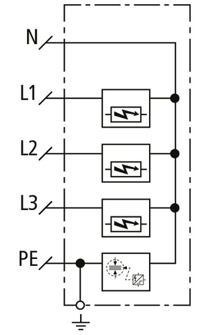
Geprüfter Kombi-Ableiter Typ 1+Typ 2+Typ 3 nach DIN EN 61643-11 für TT- und TN-S-Systeme (3+1-Schaltung); komplett werkzeuglos montierbar durch Click+Power-Anschlusstechnik für das 40 mm Sammelschienensystem und Push-in Erdungsklemme; Zum Einsatz im Hauptstromversorgungssystem nach DIN VDE 0100-443 bei Gebäuden mit äußerem Blitzschutzsystem (Blitzschutzklasse III/IV). Ein passender Abdeck-Clip nach DIN VDE 0603-1 für jedes handelsübliche Zählerfeld ist im Lieferumfang enthalten.
Hersteller-Artikelnummer (MPN)
909531
Signalisierung am Gerät
optisch
Schutzart (IP)
IP30
Nennspannung AC
230 V
Schutzpegel N-PE
1,5 kV
Montageart
Sammelschiene
Netzform DC
nein
Netzform IT
nein
Spezifische Energie (W/R)
39,06 kJ/Ohm
Energetisch koordinierte Schutzwirkung zum Endgerät