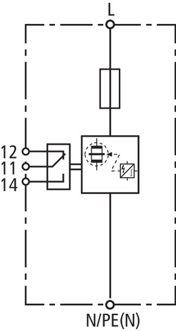
Einpoliger Kombiableiter DEHNvenCI, Typ 1 + Typ 2 nach EN 61643-11 auf Funkenstreckenbasis mit integrierter Ableitervorsicherung. Höchste Anlagenverfügbarkeit durch RADAX-Flow-Folgestrombegrenzung. Ermöglicht Endgeräteschutz. Zum Schutz von Niederspannungs-Verbraucheranlagen vor Überspannungen, auch bei direkten Blitzeinschlägen. Einsetzbar nach dem Blitz-Schutzzonen-Konzept an den Schnittstellen 0A 2.
Hersteller-Artikelnummer (MPN)
961205
Schutzart (IP)
IP20
Spezifische Energie (W/R)
156,25 kJ/Ohm
Netzform DC
nein
Energetisch koordinierte Schutzwirkung zum Endgerät
ja
Max. Leiterquerschnitt flexibel (feindrähtig)
35 mm²
Netzform TN
ja
Blitzstoßstrom (10/350 µs)
25 kA
Höchste Dauerspannung AC
255 V
Folgestromlöschfähigkeit
50 kA
Integrierte Vorsicherung
ja
Prüfklasse
Typ 1 und 2
Überstromgeschützter Spannungsabgriff
nein
Fernsignalisierung
ja
Nennspannung AC
230 V
Max. Leiterquerschnitt starr (ein-/mehrdrähtig)
50 mm²
Montageart
Hutschiene TH35
Schutzpegel
1,5 kV
Spannungsschaltende Funkenstreckentechnologie
ja
Netzform TT
ja
Baugröße
2 TE
Netzform TN-S
ja
Netzform TN-C
ja
Netzform TN-C-S
ja
Netzform IT
nein
Signalisierung am Gerät
optisch
Netzform sonstige
nein
Polzahl
1
Hersteller: DEHN DEHN SE Hans-Dehn-Str.1 DE 92318 Neumarkt i.d.OPf. info@dehn.de Webseite: www.dehn.de