Produktinformationen
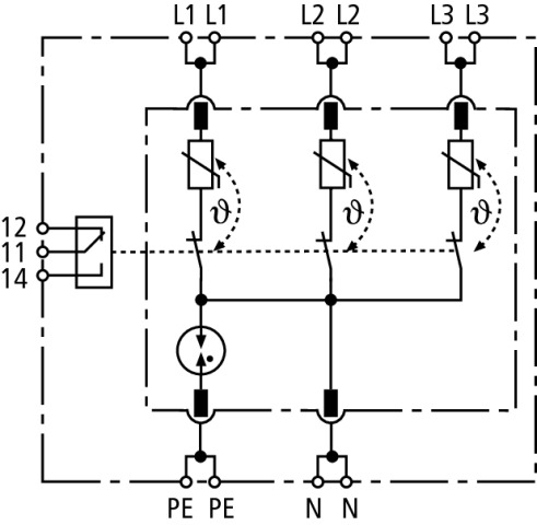
Vierpoliger Überspannungsableiter DEHNrail modular, Typ 3 nach EN 61643-11, bestehend aus Basiselement und gestecktem Schutzmodul. Hohes Ableitvermögen durch leistungsfähige Zinkoxidvaristor- / Funkenstreckenkombination. Zum Schutz der Netzversorgung von Geräten der Industrieelektronik vor transienten Überspannungen in Schaltschränken. Zum Einsatz im Blitz-Schutzzonen-Konzept an den Schnittstellen 1 2 und höher.- Hersteller-Artikelnummer (MPN)
- 953405
- Nennspannung AC
- 230 V
- Max. Überstromschutzeinrichtung Stichverdrahtung (Sicherung)
- 25 A
- Nennableitstoßstrom (8/20) (L-N)
- 3 kA
- Mit Entstörfilter
- nein
- Schutzpegel L-PE/N-PE
- 1,5 kV
- Montageart
- Hutschiene TH35
- Max. Leiterquerschnitt starr (ein-/mehrdrähtig)
- 4 mm²
- Signalisierung am Gerät
- optisch
- Mit Fernmeldekontakt
- ja
- Max. Leiterquerschnitt flexibel (feindrähtig)
- 2,5 mm²
- Prüfklasse Typ 3
- ja
- Schutzpegel L-N
- 1 kV
- Nennlaststrom
- 25 A
- Polzahl
- 4
- Gesamtableitstoßstrom (8/20) (L1+L2+L3+N-PE)
- 8 kA
- Max. Überstromschutzeinrichtung V-Verdrahtung (Sicherung)
- 25 A
- Max. Dauerspannung AC
- 255 V
- Schutzart (IP)
- IP20
-
Hersteller: DEHN
DEHN SE
Hans-Dehn-Str.1
DE 92318 Neumarkt i.d.OPf.
info@dehn.de
Webseite: www.dehn.de
Es liegen keine Bewertungen zu diesem Artikel vor.