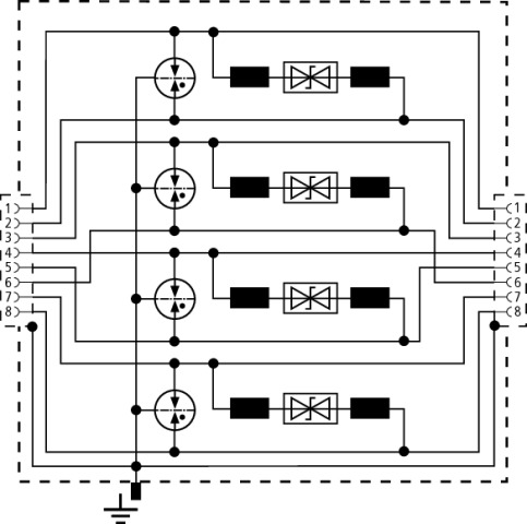
Universeller Ableiter für Industrial Ethernet, Power over Ethernet (IEEE 802.3 konform bis PoE++ / 4PPoE) und ähnliche Anwendungen in strukturierten Verkabelungen nach Klasse E bis 250 MHz. Schutz aller Adernpaare durch leistungsfähige Gasentladungsableiter und je einer abgestimmten Filtermatrix pro Adernpaar. Voll geschirmte Adapterausführung mit Buchsen für die Hutschienenmontage.
Hersteller-Artikelnummer (MPN)
929121
Nennableitstoßstrom (8/20)
10 kA
Grenzfrequenz
250 MHz
Nennspannung DC
48 V
Explosionsgeprüfte Ausführung
nein
Blitzstoßstrom (10/350 µs)
0,5 kA
Nennlaststrom
1 A
Anschluss 1
RJ45
Schutzpegel Ader/Erde
500 V
Anzahl der Leiter (ohne Erde)
8
Montageart
Hutschiene TH35
Schutzpegel Ader/Ader
180 V
Trennmöglichkeit des Signalkreises
nein
Baubreite
19 mm
Erdung über
Hutschiene
Mit Fernmeldekontakt
nein
Ableiterüberwachung
nein
Höchste Dauerspannung DC
48 V
Höchste Dauerspannung AC
34 V
Schutzart (IP)
IP10
Hersteller: DEHN DEHN SE Hans-Dehn-Str.1 DE 92318 Neumarkt i.d.OPf. info@dehn.de Webseite: www.dehn.de