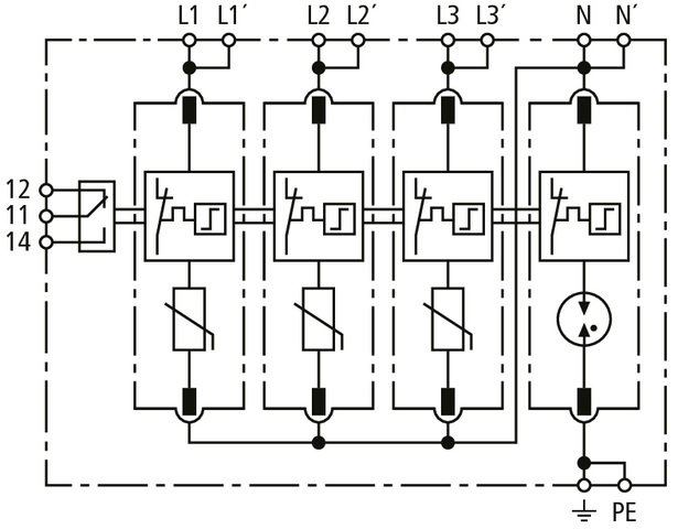
Mehrpoliger Überspannungsableiter DEHNguard MP, Typ 2 + Typ 3 nach EN 61643-11, bestehend aus Basisteil mit gesteckten Schutzmodulen und Doppel-Push-In-Anschlussklemme für Stich- und Durchgangsverdrahtung geeignet. Hohe Gerätesicherheit durch Ableiterüberwachung mit Thermo-Dynamik-Control. Zum Schutz von Niederspannungs-Verbraucheranlagen vor Überspannungen. Zum Einsatz im Blitz-Schutzzonen-Konzept an den Schnittstellen 0B 1 und höher.