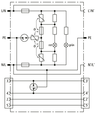
Kombinierter Überspannungsschutz für Energie- und Datenseite eines digitalen Netzabschlusses NT (IP-Telefonie), insbesondere Telekommunikationsschnittstellen bis VVDSL und G.fast (bis 1 Gbit/s). Energieseitig mit optischer Betriebs- und Defektanzeige und integrierter Kindersicherung.
Hersteller-Artikelnummer (MPN)
909310
Schutzpegel L-N
1,25 kV
Signal-Grenzfrequenz
50 MHz
Signal-Höchste Dauerspannung DC
180 V
Mit Fernmeldekontakt
nein
Montageart
Direktmontage
Signal-Schutzpegel Ader/Erde
0,5 kV
Nennableitstoßstrom (8/20)
5 kA
Höchste Dauerspannung AC
255 V
Schutzpegel L-PE/N-PE
1,5 kV
Nennlaststrom
16 A
Anschluss (Informationstechnik)
RJ12
Nennspannung AC
230 V
Signalisierung am Gerät
optisch
Signal-Schutzpegel Ader/Ader
0,3 kV
Hersteller: DEHN DEHN SE Hans-Dehn-Str.1 DE 92318 Neumarkt i.d.OPf. info@dehn.de Webseite: www.dehn.de