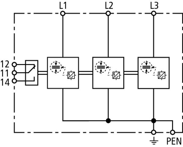
Mehrpoliger Kombiableiter DEHNshield Basic, Typ 1 + Typ 2 nach EN 61643-11 auf Funkenstreckenbasis. Platzsparende Funkenstreckentechnologie mit nur 1 TE / Pol ermöglicht kompakte Ausführung. Zum Schutz von Wohngebäuden bei Nachrüstung oder Sanierung. Ermöglicht Endgeräteschutz. Erfüllt alle Anforderungen der DIN VDE 0100-534 und DIN VDE 0100-443. Einsetzbar direkt am Speisepunkt der elektrischen Anlage.
Hersteller-Artikelnummer (MPN)
941306
Energetisch koordinierte Schutzwirkung zum Endgerät